YB55 Rail Clip

Product Overview

YB55 Rail Clip is a specialized component designed for secure rail fixation in ship-to-shore (STS) crane systems. Engineered for durability and reliability, this clip ensures stable operation of STS cranes by maintaining rail alignment under heavy loads and dynamic port environments.

Technical Specifications

Model: YB55 Clip
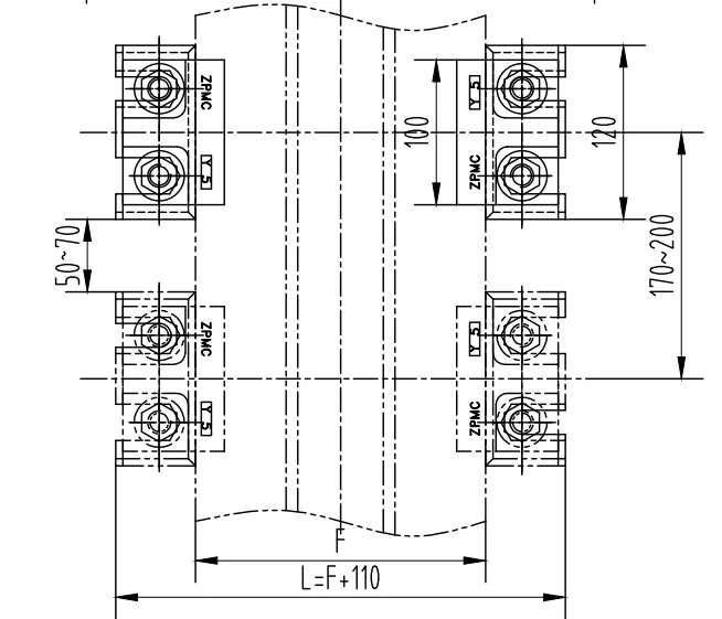
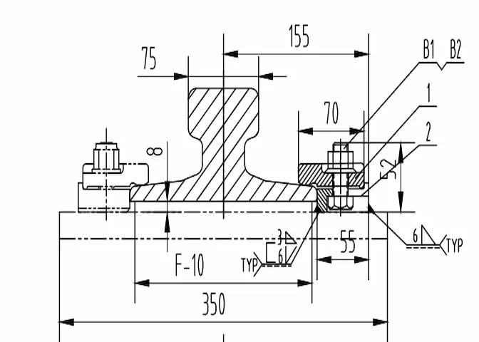
Applicable Rail Types: A75, A100
Tightening Force: 66 kN
Tightening Torque: 200 Nm (k=0.2)
Key Dimensions:
L = F + 110 (where F is the width of the rail bottom)

Installation Requirement: Nuts must be painted immediately after tightening (within 24 hours) to prevent corrosion.

Material Advantages

ZG270-500 Cast Steel: The base and clip cover feature ZG270-500, a high-strength cast steel with excellent toughness and wear resistance. This material withstands heavy mechanical loads and harsh port conditions, ensuring long-term reliability.

YB55 rail clamp installation drawing
YB55 rail clamp installation top view

Application Scope

Specifically designed for flexible fixation of A75 and A100 rails in STS crane systems, the YB55 Clip is ideal for:
  • Container terminal operations
  • Heavy-duty cargo handling
  • Environments requiring robust rail stability under dynamic loads

Installation & Maintenance Guidelines

  1. Tightening Procedure:
    • Apply a tightening torque of 200 Nm to achieve a preload of 66 kN, ensuring secure rail clamping.
  2. Corrosion Protection:
    • Paint nuts immediately after installation to prevent rust and maintain component integrity.
  3. Routine Inspection:
    • Regularly check for signs of wear, loose components, or corrosion to ensure optimal performance.

Product Features

  1. High Strength & Durability: ZG270-500 cast steel components resist deformation and fatigue, suitable for heavy-duty STS crane applications.
  2. Precise Tightening Control: Specified torque and preload values ensure consistent rail fixation, minimizing the risk of rail movement.
  3. Corrosion Resistance: Dacro-coated bolts and nuts enhance resistance to marine environments, extending service life.

Component Breakdown

ComponentSpecificationMaterialQuantity/SetWeight/Set (kg)
BoltGB5783-86 M16x408.8-grade Dacro20.178
NutZN6177.1-SLFT M16 (flange face)8-grade Dacro20.07

Base

(Pressing Plate Base)

ZG270-50010.5
Clip CoverZG270-50010.7
Clip Assembly1

For product pricing, customization, or any other inquiries:

Welcome to fill the Enquiry box or e-mail us!

 

info@gldiamond.com

滚动至顶部