55G2 Grooved Rail

Product Overview

55G2 Grooved Rail (often referenced as 41GP rail) — a medium-weight grooved/girder rail engineered for embedded street track where durability and compact embedment matter. Engineered to save civil work without compromising rail life, 55G2 rail delivers the right balance of stiffness, wear performance and a modest footprint — ideal for busy urban corridors, junctions and heritage-style routes that require modern performance.

Key Features

Technical Specifications

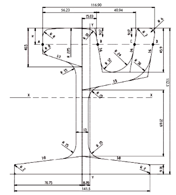
Rail Height: 152.5 mm| Base Width: 141.5mm |

Head Width: 116.9mm | Web Thickness: 13mm

Weight:  55.37 kg/m

 

Materials & standards

Standards: manufactured to grooved-rail industry requirements (EN 14811 for grooved rails is the recognised European reference for profiles and acceptance testing).

Steel & grades: typically supplied in carbon-manganese rail steels; non-heat-treated and heat-treated (hardened) options are available depending on wear and rolling-contact fatigue (RCF) needs. Hardness requirements and heat-treatment depth are project-specific and are treated during grade selection.

 

Length: Usually 12 m/ea. Custom sizes available

MOQ: 2000t

55g2 rails for sale
55G2 rails

Typical applications

  • Embedded tram and light-rail in city streets and shared-space corridors.

  • Junctions, crossings and constrained-clearance areas where shallower embedment is preferred.

  • Heritage lines and retrofit projects that need a modern, serviceable replacement for older grooved profiles.

Customisation & delivery options

  • Cut-to-length supply, pre-drilling, notches and special machining for turnouts or bespoke fastenings.

  • Alternate steel grades or heat treatment for high-wear corridors.

  • Corrosion protection systems or sacrificial coatings for coastal or chemically aggressive environments.

How to get a Quick Quote? 

  1. Quantity (linear metres or pieces) and required lengths.

  2. Preferred material grade or accept standard tram grade.

  3. Any pre-machining (holes, notches) or non-standard groove geometry.

  4. Delivery address and required lead time.

Quotation package will include supply drawing, sample mill certificate and lead time.

Q : Is 55G2 grooved rail suited to heavy-axle loads or freight?

A :55G2 is aimed at medium-duty tramway applications. For sustained heavy axle loads or severe RCF environments, specify a heavier section or a heat-treated/hardened grade.

Explore our full range of steel rails solutions and request a quote today. Partner with us for reliable, high-performance rails that drive efficiency in your operations.

Why choose 55G2 grooved rail? 

Compact, capable section: smaller excavation depth than heavyweight tram rails but with enough mass to resist frequent tram loading. Proven in service: adopted by global tram suppliers and stockists as a go-to medium-duty grooved section. Ready for design teams: supplied with CAD profiles, mill certificates and optional inspection services to speed approvals and installation.

滚动至顶部